Yangın Alarm Sistemleri / Adreslenebilir Sistemler / 7000M Serisi

FD7201M Konvansiyonel Sistemi Adresleme Adaptörü

FD7201M Konvansiyonel Sistemi Adresleme Adaptörü

FD7201M Konvansiyonel Sistemi Adresleme Adaptörü

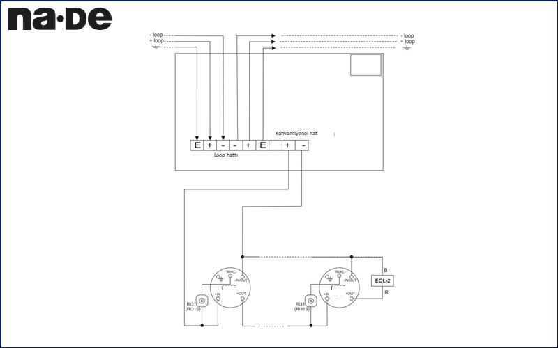
FD7201M Konvansiyonel Sistemi Adresleme Adaptörü, Konvansiyonel cihazların adresli sisteme entegrasyonunda kullanılır. FD7201M modülüne bağlanan hatta max 32 cihaz olması önerilir. Hat sonu direnci ile konvansiyonel hat sürekli izlenerek hata durumu takip edilir. Çalışma enerjisini hat üzerinden alır. Bu sebeple çevrim üçerinde kaç adet kullanılacağı hesaplanmalıdır.

Dahili kısadevre izolatörüne sahiptir. Bu sayede yangın hattındaki ksa devre durumunda hattın çökmesi engellenmiş olur. 

Otomatik adresleme özelliği ile panel üzerinen adreslenir ve ayrıca el tipi adrsleme cihazına ihtiyaç duymaz.

EN54 Standartları ile uyumludur.

 

 

 

Ürün Kodu FD7201M
Sistem Tipi Adresli
Ürün Tipi Modül
Algılama Tipi Bölgesel Algılama
Boyutlar a:90 x b:66 x c:22
Gövde ABS
Datasheet İndir