Yangın Alarm Sistemleri / Adreslenebilir Sistemler / IFS7002 Serisi

FD7201S Bölge / Zone Modülü

FD7201S Bölge / Zone Modülü

FD7201S Bölge / Zone Modülü

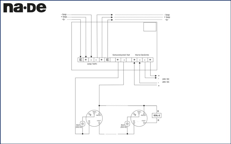
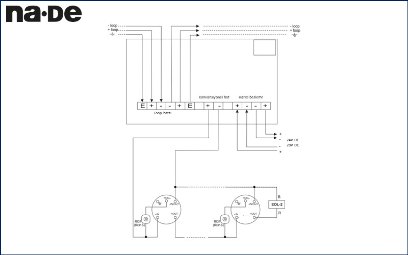
FD7201S Konvansiyonel Sistemi Adresleme Adaptörü, Konvansiyonel cihazların adresli sisteme entegrasyonunda kullanılır. FD7201S modülüne bağlanan hatta max 32 cihaz olması önerilir. Hat sonu direnci ile konvansiyonel hat sürekli izlenerek hata durumu takip edilir. Harici besleme gerektirir

Dahili kısadevre izolatörüne sahiptir. Bu sayede yangın hattındaki kısa devre durumunda hattın çökmesi engellenmiş olur. 

Otomatik adresleme özelliği ile panel üzerinden adreslenir ve ayrıca el tipi adresleme cihazına ihtiyaç duymaz.

EN54 Standartları ile uyumludur. 

 

 

 

 

Ürün Kodu FD7201S
Sistem Tipi Adresli
Ürün Tipi Modül
Algılama Tipi Bölgesel Algılama
Boyutlar a:90 x b:66 x c:22
Gövde ABS
Datasheet İndir